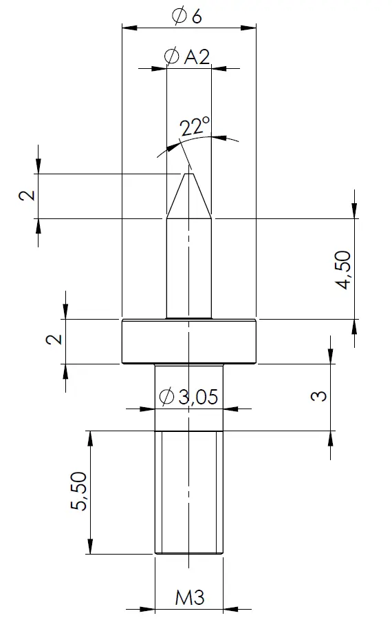
Catch pins are responsible for the correct guidance of the assembly to the needle bed. The so-called guide-drilled holes in the PCB contract with the installed catch pins.
Catch pins are responsible for the correct guidance of the assembly to the needle bed. The so-called guide-drilled holes in the PCB contract with the installed catch pins.
You are currently viewing a placeholder content from Brevo. To access the actual content, click the button below. Please note that doing so will share data with third-party providers.
More InformationYou are currently viewing a placeholder content from Vimeo. To access the actual content, click the button below. Please note that doing so will share data with third-party providers.
More InformationYou are currently viewing a placeholder content from YouTube. To access the actual content, click the button below. Please note that doing so will share data with third-party providers.
More InformationYou need to load content from reCAPTCHA to submit the form. Please note that doing so will share data with third-party providers.
More InformationYou need to load content from hCaptcha to submit the form. Please note that doing so will share data with third-party providers.
More InformationYou need to load content from reCAPTCHA to submit the form. Please note that doing so will share data with third-party providers.
More InformationYou are currently viewing a placeholder content from Gymnastics styles. To access the actual content, click the button below. Please note that doing so will share data with third-party providers.
More Information